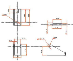
MB8 Bracket

      MB8 Bracket

      CAD
      Model #
      Quantity
      qty limit cart limit
      In Stock

      Add Liquid error (snippets/form-product line 293): Could not find asset snippets/warranty-plus-text.liquid +8% 

      Shipping Cost Estimator

      Note: You must have items in your cart already before you can see the estimated costs to ship your cart. This shipping tool will estimate the total shipping cost for your entire basket.

      The MB8 bracket is for use with our High Speed Linear Actuators. Featuring a strong design to support high speed actuators, they fit on either end of the actuators and come with the cross pin for quick release. These brackets can handle up to 1,000 lbs of force.

      Includes 2 brackets

      3D Model Downloads (.STEP)

      Frequently Bought Together

      Total Price: